Kimi wa Yotsuba no Clover - Ch. 54 - Hmmm

Joined
May 25, 2023
Messages
1
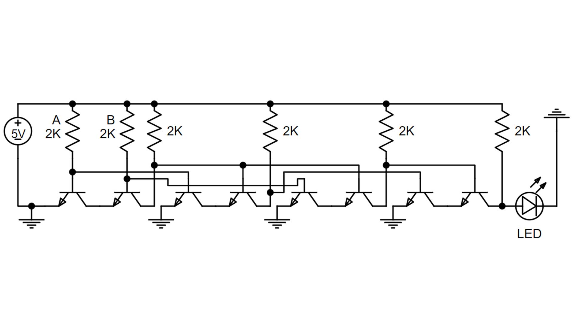
Q2 and Q4 seem to me to be the easiest to do. For Q2, just build this in multisim:
xor-gate-3-circuit-diagram.jpg
Source: https://www.gsnetwork.com/xor-gate/

It uses binary junction transistors as instructed.

Then for Q4, if you google 3 bit digital to analog converter circuit you'll find plenty of examples like this one. It's just an amplifier with a couple of resistors and switches to select a digital input, so it should be easy enough for you to make it.
binary_weighted_resistors.jpg

Source: https://www.tutorialspoint.com/line...applications_digital_to_analog_converters.htm
Surely, Q3 is the easiest. A full wave rectifier is something you learn in first year electrical engineering. Building this in SPICE took no longer than 2 minutes.
image.png
 
Dex-chan lover
Joined
Jan 27, 2018
Messages
262
Surely, Q3 is the easiest. A full wave rectifier is something you learn in first year electrical engineering. Building this in SPICE took no longer than 2 minutes.
image.png
Oh yeah, it's just been a while since I even though about those, my brain just honed in on the two types of circuits I'm most familiar with, digital logic gates and DACs, so easiest for me ig
 
Supporter
Joined
Jan 26, 2018
Messages
1,088
There's been a lot of moments in this manga where I think the situation is really dumb, but the whole "We can't ask uichi, because it says right here not to tell" has to be one of the dumbest excuses they have pulled so far
This, but the whole chapter.

I swear the manga is set in a universe where COVID (like rabies) is primarily a brain virus that spreads through droplets, instead of going after the lungs first and other targets (brain, cardiovascular, etc) second.
 
Dex-chan lover
Joined
Sep 20, 2024
Messages
3,354
Damn why does every arcs villain need to be more infuriating than the last, this bitch is almost as bad as dad and sister. Obviously Yotsuha know's who she's up against so I have no doubt she'll win but this is so rage inducing up until then.
 
Dex-chan lover
Joined
Feb 3, 2023
Messages
56
GUYS, GUYS PLS HELP, MY BE ASSIGNMENT IS DUE, PLS SEE THE QUESTIONS IN THE LAST PAGE AND HELP ME IN MULTISIM :angery:
I haven't seen anyone answer Q1, but the circuit you are looking for is called an integrator (if you remember, when you integrate a constant, you get a slope). It's an inverting op amp, just replace the feedback resistor with a capacitor instead.
 
Supporter
Joined
Jan 18, 2018
Messages
514
NGL, if I were ever in her situation, I would be nothing but a psychotic, murderous being that kills everyone that have the slightest of malicious intentions toward me or my loved ones.
 
Active member
Joined
Sep 15, 2025
Messages
14
Going this far for what... like if she actually likes Uichi i can understand that, but to do shit like this over a guy you has 0 interest from the start is batshit dumb
 
Dex-chan lover
Joined
Sep 20, 2025
Messages
321
Going this far for what... like if she actually likes Uichi i can understand that, but to do shit like this over a guy you has 0 interest from the start is batshit dumb
She actually has a twisted interest for Uichi as he was the one guy who didnt bend over for her
 

Users who are viewing this thread

Top